今天就空调热回收系统给大家讲解一下:
先来了解热回收的好处
为什么要做热回收?
在现今全球环境因素下,能源的大量损耗和流失,加上能源的污染造成的严重潜在危害,世界各地都在共同为节能发展铺路搭桥,来改善能源的消耗以地球的可持续性。所以,节能,减排,再回收成为了共同的焦点!
空调热回收的特点是利用前期少量的设备成本投入,从然大大降低后期运行的成本,以达到节能,再回收,减排的三重效益。
需要热回收装置的理由:
●可降低供热设备的容量。
●可降低每年热能的消耗。
●可降低供冷装置的容量。
●这意味着可以缩小空间,降低诸多设备投资,包括储能罐、管路、泵、冷却系统、冷机、冷却塔等。
●可降低每年用于制冷的能量消耗,因此可以节约开支。
●可减少对环境的污染
下面让我们来认识以下三种空调热回收系统。
热回收的比较
说明:盘管式液体介质有市水,乙二醇溶液等
一、空调转轮热回收
1、定义:空气与空气进行热交换;
2、原理:进入室内的室外新鲜空气和排出室外的空气逆向通过时,将排风中的能量(冷/热量)充分的回收利用,使新风的空气状态点接近室内空气参数,从而降低新风处理时的能耗,达到节能的目地;
3、重点:转轮交换器,利用逆向面不相互干扰的具有温(焓)差的空气进行热交换/回收;
4、材质:活性硅胶、铝箔、分子筛等。
分析一、结构:
1、转轮式热回收机组,由围护结构,转轮热交换器,风机,过滤器,和电气控制元件等组成.
2、基本功能段:空所进/出段、过滤段、热回收段、中间检修段、风机段等.另外可根据客户需求可增设回风段、加热段、冷却段、加湿段、消声段、消毒段等.
3、适用场合,分民用型和洁净型两种
4、民用型机组:排风和新风可能有微量空气渗漏,气密性一般,主要用于民用及一般洁净度的场合.
5、洁净型机组:排风和新风基本无空气渗漏,气密性优良,主要用于高洁净度要求的场合,也就是我们现在制造的无尘室,同时也可以根据需要,增加设置,保持室内常压,正压或负压状态.
6、机组组合形式:并列卧式,上下卧式,立式,三种.
7、参考图例
分析二、特点:
1、专业软件计算,选型,确定空气状态参数;
2、热交换,回收效率高;
3、实现新风的夏季冷却降湿,冬季的加热加湿(仅全热型);
4、新风参数更加稳定,利用调节和控制;
5、有效防止排风漏入新风;
6、内部风阻小;
7、设备结构紧凑,运行管理方便;
8、适合海洋性气候或高温高湿场所使用;
9、单机处理风量大,联合机组的处理风量几乎不受限制。
小述:可以实现新风的大幅度增加,改善室内空气品质,由于减少系统的冷热源容量,降低设备工程的初投资以及运行费用,使得设备工程的初投资和运行费用更加合理.
分析三、应用:
1、空调系统:舒适性空调系统、工业性空调系统、特殊的空调系统(实验室);
2:通风系统:工业通风、带腐蚀性的排风、带有害物质的排风、带可溶物质或干燥、颗粒状灰尘的排风;
3、余热回收:炉窖、烘房、烤箱等废热回收;
4、高温回收:产生大量废热气的生产;
5、其它合适的回收系统。


分析四、节能:
1、定义:空气与空气进行热交换;
2、原理:进入室内的室外新鲜空气和排出室外的空气交叉向通过时,将排风中的能量(冷/热量)充分的回收利用,使新风的空气状态点接近室内空气参数,从而降低新风处理时的能耗,达到节能的目地;
3、重点:板式交换器,利用交叉流向而互相隔绝的具有温差的空气进行热交换/回收;
4、材质:由铝板或不锈钢制造,内部由大量的分隔开新风和排风的微小直角路使空气到达另一侧。
二、空调板式热回收
分析一、结构:
1、图1–3为水平式,图4–8为上下式.机组均配置可以电动气动控制风阀的内旁通,作为选择,也可以不带内旁通,更多的机组布置形式,可根据板式热交换器的可选择形式进行。
2、适用场合:可用于一般性的场合和工业于民用建筑,以及厨房,制药业,室内游泳池,住宅和托儿所等,也可用于需要严格防泄漏,污染极严重等区域。
三、空调盘管热回收
1、定义:液体管路与空气进行间接性热交换(本次针对夏季全新风);
2、原理:室外新鲜空气(热)经过预冷盘管(降低冰水盘能耗),再经过再热盘管(降低加热器能耗),以达到能耗比大幅降低的效果;
3、重点:盘管循环双向效能;
4、材质:铜管,铝板;
5、介质:水,乙二醇等。
分析一、结构:
1、盘管式热回收机组,由围护结构,金属盘管,加热器,风机,过滤器,和电气控制元件等组成;
2、基本功能段:空所进/出段、过滤段、预冷盘管段、检修段、冰水盘管段、检修段、再热盘管段、检修段、加热段、风机段等.另外可根据客户需求可增设加湿段、消声段、消毒段、高效段等;
3、适用场合,针对洁净车间全新风设计使用(也可作用为舒适空间大量送新风)。
分析二、特点:
1、优点:前期投入较低、维护方便、运行成本低、无更换周期、效果良好、控制简单、适用于夏季全新风给气空调箱使用;
2、缺点:限制较大(普通回风型空调效果差/冬季基本用不了)、稳定性一般。
分析三、数值解说:
全新风机组要求出风温度22℃,湿度55%RH;
综上数据显示,节能效率比可达50%。
分析四、盘管(再热)温差值:
1、进水温度计算:经验数值=(新风温度-出风温度)/2+出风温度;
2、温差计算:一个平衡的问题,温差大,水流量小,换热差。不需要温差太大,仅在能满足夏季加热器能耗抵消的状态即可,同时也可抵消部分冰水耗能,从而达到双效节能的效果。现建议温差值为3~5度,但仍需按实际值设定;
3、水量计算:有冷量,有温差,即公式:水量(L/s)=冷量(Kw)/(4.187*温差);
4、控制计算:简单易操作。根据再热过后的温度感测器,输入信号给控制器,控制器输出信号给变频器,从而调节再热水泵的频率以调节水流量,以达到平衡控制出风温度的效果。当然在这个过程中,特别是外气温度频繁变化,从而导致进入加热段的温度时常会浮动,从而会引导加热器的频繁启动和停止。当然也可以从自动控制上解决这个问题,针对加热器进行温差范围设定。以保证一定温度范围内加热器仍不启动。
例:设定出风温度值22℃,加热器夏季最低温差值设定为20℃,而出风温度感测仍设置为22℃,这样避免夏季温度变化大导致加热器频繁启动,冬天加热器也会以22℃设置为正常值的控制。以达到双重效果!
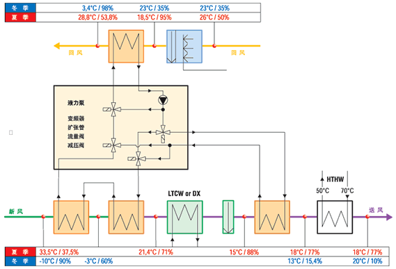
高效盘管式热回收系统
系统描述
组合式盘管系统的运行
1、在多重的、反向的循环中,使用高效的热交换器,年使用率高达80%。
2、每个热交换器只有一种气流模式,即新风和回风各行其道,这样避免了细菌和污染物的传播。
3、通过绝热或绝冷的回风处理方式,系统在冬季将新风预热,夏季将新风预冷。
4、新风加热器可进行分组。带有大叶片间距的除霜组,安装于过滤器前端,充分加热新风,以避免在过滤器上结霜,因此可以达到要求的相对湿度。
5、在除湿表冷器后端加装一个额外的热回收换热器用以补偿温度。在除湿过程中,这个加热器将提高新风温度,因此而下降的水温降低了新风入口处热交换器的温度。这样的系统循环节省了约20%冷负荷。